深耕行业十数载,累计服务超过10W+客户,WiFi模组、蓝牙模组、电源模块等产品远80多个国家和地区,为客户提供专业可靠的IoT模块产品、强大的技术支持和贴心的售后服务保障,产品广泛的应用于智能家居、智能医疗、智能办公、汽车电子及工业控制等领域。



DC/DC 30W-24V-C电源稳压单路输出
MULTIPLE SPECIFICATIONS AVAILABLE
超宽电压24V(9-36V)输入/30W隔离稳压单路输出
| 产品型号 | 输出功率 | 输出电压 | 输出电流 |
| HLK-30D2405C | 30W | 5V | 6000mA |
| HLK-30D2412C | 30W | 12V | 2500mA |
| HLK-30D2415C | 30W | 15V | 2000mA |
| HLK-30D2424C | 30W | 24V | 1250mA |
| *同一系列产品尺寸和引脚封装一致 | |||
| *国际标准引脚 尺寸50.8×25.4×11mm | |||
国际标准引脚,PCB板直插安装
宽范围输入9~36VDC,输出30W
超低待机功耗0.036W(典型值)
输入输出隔离耐压1500VDC
超快速启动:1ms(典型值)
高转换效率,可达91%(Typ)
工作温度范围:-40°C~+85°C
输入欠压保护,输出短路、过流、过压保护
高可靠性,长寿命设计,连续工作超100000H
采用高品质环保防水导热胶灌封,防潮、 防震,满足防水防尘IP65标准
工作温度-40~+85℃
存储温度-40~+125℃
相对湿度5~95%RH
散热方式自然冷却
大气压力80~106Kpa
海拔高度≤2000m
振动振动系数 10~500Hz,2G10min./1cy-cle60min.each along X,Y,Z axes
输入特性(常温测试)
额定输入电压24VDC标称输入系列
输入电压范围9~16VDC
最大输入电流≤3.4A
反射纹波电流40mA(典型)
冲击电压≤50VDC
启动电压9VDC
启动时间(Typ.)1mS(标称输入电压和恒阻负载)
输入滤波器类型PI型
热插拔不支持
遥控端Ctrl开启:Ctrl悬空或高电平(3.5-12v)
关断:Ctrl接GND或低电平(0-1.2V)
关断时输入电流1mA
输出特性
电压调整率+-0.5%(Tpy)
负载调整率+-1%(Tpy)
输出电压调节无调节端
输出过流保护110%-200%(全电压范围输入)
输出短路保护可持续,自恢复
纹波&噪声≤100mVp-p
绝缘电压1min漏电流<1mA/1500V
绝缘电阻绝缘电压500VDC
隔离电容100KHz/0.1V 1000pF

推荐测试电路
一般推荐电容:C1:47-100uF;C2、C3:10-22uF。
所以该系列的DC/DC转换器在出厂前,都是按照下图所示推荐的测试电路进行测试。
若要求进一步减少输入输出纹波,可将输入输出外接电容C1、C2、C3加大或选用串联等效阻抗值小的电容,但容值不能大于改产品的最大容性负载。

EMC解决方案——推荐电路

FUSE保险丝根据客户需求接入相应的保险丝
MOV压敏电阻14D333K
LDM1/共模电感2mH
E1、E2电解电容470uF/50V
C0、C1陶瓷电容1uF/50V
LDM2差模电感4.7-68uH
CY1安规Y2电容1nF/250Vac
输出滤波外围推荐电路

注意:
1、C2、C3使用高频低阻电解电容,且总容量不可超过手册标注的最大容性负载,否则模块将无法正常启动。
2、容性负载时,必须保证3%的最小负载,否则会引起模块输出异常。
参数推荐

TRIM的使用以及TRIM的计算


带有TRIM端系的TRIM输出电压调节端如下表:

纹波&噪声测试:双绞线法 20MHz带宽

测试方法:
1、纹波噪声是利用12#双绞线链接,示波器贷款设置为20MHZ,100M带宽探头,且在探头端上并联0.1UF聚丙烯电容和47UF高频低阻电解电容,示波器采样使用SAMPILE取样模式
2、把电源输入端连接到输入电源,电源输出 通过治具板连接到电子负载,测试单独用30CM+-2CM取样线直接从电源输出端口取样。功率线根据输出电流的大小选取相应线径的带绝缘皮的导线(如上图所示)

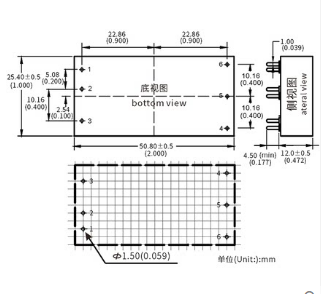
1:+Vin输入正极;2:-Vin输入负极;3:Ctrl遥控端;
4:Trim电压调压端;5:-Vo输出负极;6:+Vo输出正极
*注意:电源模块的各管角定义如与选型手册不符,应以实物标签上的标注为准。
*以上页面中的产品图片仅作示意,实物产品效果可能略有差异。以上页面中的数据为理论值,均来自本司产品测试部,于特定测试环境下所得,实际使用中可能因产品个体差异、软件版本、使用环境等因素不同略有不同,请以实际使用的情况为准。
*由于本司产品批次和生产供应因素实时变化,为尽可能提供准确的产品信息、规格参数和产品特性,我司可能实时调整和修订以上页面中的文字表述、图片效果等内容,以求于实际产品性能、规格、零部件等信息相匹配。如遇确有进行上述修改必要的情形,恕不专门通知。